SC-3000

From CPCWiki - THE Amstrad CPC encyclopedia!
Revision as of 06:05, 13 May 2025 by Phi2x (Talk | contribs) (Sega Super Control Station)

Jump to: navigation, search
Sega SC-3000
Yeno SC-3000H
Sega SG-1000

The SC-3000 (Sega Computer 3000) is the first computer to be designed and manufactured by Sega.

It was first released in July of 1983 in Japan, and serves as the home computer equivalent of the SG-1000 cartridge-based video game console. The SC-3000 is an 8-bit home computer almost identical in nature to the SG-1000, but with a built-in keyboard and support for more hardware expansions.

The SC-3000 was released in various countries including Japan, Australia, New Zealand, France, Italy and Finland, as an entry-level machine for the home. The SC-3000 was distributed in France under the Yeno brand, achieving mild success in 1983/1984.

The SC-3000 was Sega's first and most popular home computer to be released to the general public. Other endeavours such as the rare Sega AI Computer saw only a small fraction of the success the SC-3000 received, and were built with very different aims. The company would partner with Amstrad for the Amstrad Mega PC in later years. A similar partnership was made with IBM to create the Sega TeraDrive computer.


Licensed Clones

Othello Multivision

Sega's original intention for the SG-1000/SC-3000 machines was to allow other manufacturers to produce compatible machines in the hope of having a worldwide standard.

Unfortunately, possibly with the emergence of the MSX standard, this tactic failed, and very few SG-1000/SC-3000 compatible machines were produced. The Othello Multivision was one of these machines.


Sega Super Control Station

Sega Super Control Station SF-7000
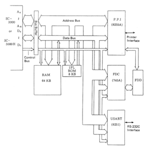
Block diagram

The Sega SF-7000 is an expansion to the SC-3000 computer that provides:

  • 3-inch floppy disk drive
  • 8kB of ROM
  • an extra 64kB of RAM
  • a Centronics parallel port
  • an RS-232 serial port


Links